Când plângem pierdem foarte mult. Se spune că e bine să plângi pentru că, astfel, eliberezi tensiuni, frustrări, supărări și orice fel de sentiment negativ. Multe dintre ele nu dispar după doar o singură repriză de lacrimi.
Uneori doar simțim nevoia să plângem, alteori pufnim în plâns pentru că trăim o mare bucurie.
E ciudat ce se întâmplă când plângem. Te-ai întrebat vreodată ce conțin lacrimile tale mai ales când eliberezi emoții puternice?
Secrețiile lacrimale survenite pe fond emoțional conțin mai multe proteine decât celelalte tipuri de lacrimi și sunt una din căile foloste de organism pentru a scăpa de chimicalele produse sub efectul stress-ului.
Pe de altă parte, ca și restul corpului, ochii au nevoie de substanțe nutritive pentru a se menține sănătoși și funcționali. Deoarece corneea nu are vase de sânge proprii, este rolul lacrimilor să „hrănească” ochii.
Lacrimile sunt compuse din peste 400 de substanțe care au rolul de a ne proteja ochii. Printre ingredientele vitale ce se ascund în lacrimile noastre găsim, dacă cercetăm în laborator: Acizi grași Omega-3, Lizozime (vindecă ochiul și luptă cu bacteriile și virușii), Potasiu, Acid folic (vitamina B9) și Sodiu, care ajută la menținerea epiteliului cornean.
Și mai este ceva interesant, aparent picături identice, lacrimile au consistență și rol diferite în funcție de momentul eliberării. Astfel, avem lacrima de bază- cea pe care o producem constant și are ca scop hrănirea ochiului; lacrima care reflectă (textură vâscoasă și volum mare)– care se activează atunci când în ochi intră obiecte externe și lacrima psihologică- apare odată cu stimulii emoționali puternici și se produce atunci când suntem veseli sau triști.
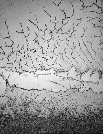
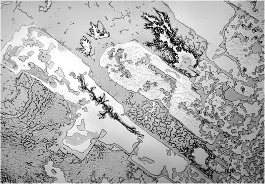
Dacă, pe aceste tipuri diferite de lacrimi, dar și pe altele, punem microscopul, la propriu, vom putea observa lucruri total surprinzătoare.
Cercetătorii Institutului de Oftalmologie din Madrid au analizat la microscop textura diferitelor lacrimi, iar rezultatul a fost unul neașteptat.
Compoziția lor poate părea asemănătoare sau chiar identică, uneori. Singura diferență constatată de noi, adesea, este gustul lacrimilor care pote fi, uneori, mai sărat, însă o imagine detaliată ne demonstrează că, în realitate, nu este deloc așa.
Fiecare categorie este diferită de cealaltă, iar compoziția lor diferă în funcție de sentimentele noastre.
Diferența o fac sentimentele exprimate prin intermediul lacrimilor, sunt de părere cercetătorii.
În funcție de situația în care se află sistemul neuroendocrin, în lacrimi se secretă diferite tipuri de hormoni și neurotransmițători, de a căror cantitate și tipologie depinde compoziția moleculară a lacrimilor înainte ca acestea să apară în exterior.
E surprinzător cât de multe știm exprima și cât de puțină atenție acordăm amănuntelor!
- Madridul și cum m-a cucerit el - 11 sept. 2019
- Și Moșul mai greșește….ghetuțele - 18 dec. 2018
- Cum se schimbă iubirea odată cu aplicațiile de întâlniri - 30 nov. 2018









